Home
Product Line
Photo Gallery
Specifications
Links
Policies
Contact
Catalog Request
Lite Stone Concrete
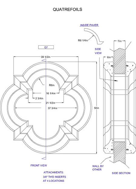
Quatrefoils
« prev
–
1
2
3 – next »
DWG File
Printer Friendly File
PDF File
Back to Top